ООО «Компания Ландеф»
Цены О компании Контакты Новости Оплата и доставка

ABLOY

Системы запирания и управления дверями

Интеллектуальные системы хранения ключей и ценностей

Готовые решения

 

HONEYWELL

Телевизионные системы наблюдения

Системы контроля доступа

Системы охранной сигнализации

Устройства для раздвижных дверей

ПОДРОБНЕЕ НА САЙТЕ DICTAMAG

Компания Dictator предлагает инновационное техническое решение — настоящий механический доводчик для раздвижных дверей DICTAMAT 50. Особенностью этого решения является возможность регулировки скорости движения двери и усилия доводчика. Дверь закрывается с одинаковой скоростью в течение всего хода. Это обеспечивает полное закрывание двери и долговечность двери, так как полностью исключаются удары и хлопки дверного полотна о дверную коробку. Преимуществом этого решения является модульное построение и пригодность для использования практически в любых ситуациях: когда раздвижная дверь уже смонтирована или планируется к монтажу как в дверном пенале, так и при накладном монтаже.
Это решение также можно использовать как для одностворчатых, так и двухстворчатых раздвижных дверей. Причем надо заметить, что для одновременного движения двух дверных полотен используется только одна единица оборудования.
Все оборудование может быть установлено на уже существующую систему раздвижных дверей, или может быть смонтировано вместе с устанавливаемым дверным оборудованием.

Технические данные:

  1. Максимальное усилие закрывания 50Н (стандарт); 25Н или 80Н
  2. Максимальный рабочий ход 1.0 — 1.5 м (в зависимости от величины преднатяжения троса)
  3. Тяговый трос длина 2 м
  4. Вес двери от 10 — 100 кг

Принцип действия:

Основными компонентами устройства DICTAMAT 50 являются шкив с тяговым тросом и радиальный демпфер. Когда раздвижная дверь открывается вручную, то тяговый трос растягивается. При освобождении открытой двери, за счет действия шкива с тяговым тросом, начинается закрывание двери. Тяговый трос проходит через валы радиального демпфера, что позволяет контролировать скорость перемещения двери. Скорость двери сохраняется постоянной в течение всего хода.

DICTAMAT 50 KP

Имеются различные варианты исполнения устройства DICTAMAT 50.

  • DICTAMAT 50 KP: Компактное устройство с монтажной пластиной для установки в нижней части рельса, с одним тяговым тросом. Подходит только для одностворчатых дверей.
  • DICTAMAT 50 KW: Компактное устройство с монтажной пластиной для установки в верхней части рельса, с одним тяговым тросом. Подходит только для одностворчатых дверей.
  • DICTAMAT 50 BK: Модульная система состоящая из отдельных компонентов, шкива холостого хода и кругового троса. Подходит только для двустворчатых дверей.

Устройство DICTAMAT 50 KP — дверной доводчик
для одностворчатых раздвижных или откатных дверей

DICTAMAT 50 KP

Устройство было разработано для установки на нижнюю часть рельса. Устройство крепится к рельсу специальной монтажной пластиной. На пластине размещаются шкив с тяговым тросом и радиальный демпфер. Тяговый трос проходит через вал радиального демпфера и фиксируется на лапке ролика. Другим концом лапка зафиксирована на кронштейне, к которому крепится дверное полотно.

DICTAMAT 50 KP

Установка: Обычно DICTAMAT 50 KP устанавливается на стороне закрывания двери. Сначала закрепляется монтажная пластина с устройствами, а потом натягивается трос. При заказе компактного устройства DICTAMAT 50 KP следует обращать внимание на закрытвание двери (справа или слева). На картинке показаны варианты установки.

DICTAMAT 50 KP

Устанавливаемое оборудование может мешать полному открыванию дверей. В этом случае целесообразно использовать устройство DICTAMAT 50 KW с верхним расположением модулей.


Устройство DICTAMAT 50 KW — дверной доводчик
для одностворчатых раздвижных или откатных дверей

DICTAMAT 50 KW

Устройство было разработано для установки на верхнюю часть рельса. Устройство крепится к рельсу специальной монтажной пластиной. На пластине размещаются шкив с тяговым тросом и радиальный демпфер. Тяговый трос проходит через вал радиального демпфера и, далее, протягивается через регулировочный шкив, потом фиксируется на лапке ролика. Другим концом лапка зафиксирована на кронштейне, к которому крепится дверное полотно.
Использование регулировочного шкива позволяет изменять высоту тягового троса в пределах 30 мм.

DICTAMAT 50 KP

Установка: Обычно DICTAMAT 50 KW устанавливается на стороне закрывания двери. Сначала закрепляется монтажная пластина с устройствами, а потом натягивается трос.
Регулировочным шкивом устанавливают необходимую высоту троса. Трос должен располагаться параллельно рельсам. Одно и тоже устройство можно установить как на лево-, так и на правосторонние двери.


Устройство DICTAMAT 50 BK — дверной доводчик
для двухстворчатых раздвижных или откатных дверей

DICTAMAT 50 BK

Если раздвижные двери имеют две створки, то при использовании устройства DICTAMAT 50 BK они будут передвигаться одновременно. При открывании дверей они обе будут открываться из центрального положения, а при закрывании сойдутся в этом же месте. Круговой трос всегда обеспечит синхронную работу устройства. На нем располагаются приводы дверных створок. При движении троса в одну из сторон, например, налево, один привод будет двигаться также налево, а второй – направо. Такое направление движения обеспечивается благодаря наличию шкива холостого хода.
Шкив с тяговым тросом, радиальный демпфер и шкив холостого хода поставляются с монтажными принадлежностями, которые обеспечивают их установку прямо на рельсе. По запросу так же доступны крепежные принадлежности для крепления оборудования на стене.

На рисунке изображено устройство DICTAMAT 50 BK.

DICTAMAT 50 BK

Компоненты DICTAMAT 50 BK:

В зависимости от доступного пространства, компоненты модульной системы могут быть установлены в разных направлениях. Установка радиального демпфера LD 50 может быть выполнена в горизонтальном или вертикальном направлении. Это дает максимальную гибкость при монтаже модульной системы. Кроме того, для радиального демпфера и шкива холостого хода доступны монтажные пластины, которые облегчают монтаж соответствующего компонента для различных рельсов. При выборе монтажного положения LD 50, вы должны предусмотреть возможность регулировки настроечного винта.

Комплекты рельсов для DICTAMAT 50

В качестве принадлежностей для DICTAMAT 50 имеются полные комплекты рельсов с подвижными каретками.

Они предназначены для раздвижных дверей до 100 кг. Существует два вида комплектации:

  • комплекты рельсов для открытого монтажа к стене или потолку (навес)
  • комплекты рельсов для скрытого монтажа в настенном пенале.

Комплект рельсов с подвижными каретками для открытого монтажа.

Для одной раздвижной двери, вам необходимо:

  • Комплект стальных рельсов соответствующей длины. По умолчанию доступны рельсы следующей длины: 1,5 м, 1,8 м, 2,1 м, 2,4 м, 3,0 м, 4,0 м. Другие длины доступны по требованию.
  • Две подвижные каретки для каждого дверного полотна.
  • Два конечных буфера с механическим зацеплением.
  • Одна напольная направляющая для каждого дверного полотна.

Также доступны для заказа алюминиевые настенные кронштейны или крепежные уголки.

Монтаж: Рельсы имеют отверстия для крепления непосредственно к навесу (потолку) (рельсы до 2,1 м имеют 5 отверстий, рельсы 2,4, 3,0 и 4,0 м имеют 8 отверстий). Если крепление к навесу (потолку) невозможно, то доступны настенные кронштейны. В зависимости от длины рельса, необходим набор из 5 или 8 кронштейнов. В случае, когда используется два рельса, потому что недостаточно максимальной длины 4 м, то соединение рельсов необходимо выполнять под алюминиевым настенным кронштейном. Если настенный монтаж осуществляется в деревянную поверхность, то необходимо использовать саморезы и крепежные уголки, а настенное крепление в бетонную или кирпичную стену производится с помощью анкеров посредством алюминиевых настенных кронштейнов.

Комплект рельсов с подвижными каретками для открытого монтажа.

  • максимальный вес двери 100 кг;
  • максимальная высота двери 2.5 м;
  • толщина двери 20 — 50 мм;
  • материал двери сталь, алюминий или дерево.

Комплект рельсов с подвижными каретками для скрытого монтажа в пенале.

Использование комплекта позволяет получить более эстетичное планировочное решение для помещения. Однако в существующих помещениях применить это решение не всегда представляется возможным.
В комплект установки входит рельса с принадлежностями и комплект обвязки стенного пенала.
Начинают монтаж такой двери с монтажа обвязки. После завершения установки обвязки можно приступать к монтажу оборудования. Использование специальных монтажных элементов обеспечивает исключительно легкий монтаж и демонтаж всей дверной конструкции. Следует иметь в виду, что с комплектом обвязки можно использовать только оборудование серии DICTAMAT 50 KW.

Комплект состоит из следующих компонентов:

  1. Комплект боковых монтажных элементов.
  2. Комплект стальных рельсов соответствующей длины.
  3. Комплект боковых монтажных элементов с напольными направляющими
  4. Две подвижные каретки с пластиковыми роликами.
  5. Шкив с тяговым тросом на кронштейне специальной конструкции.
  6. Радиальный демпфер с монтажной пластиной специальной конструкции.
  7. Комплект адаптера для двери толщиной от 35 – 44 мм.

Для двустворчатых раздвижных дверей вам необходимо два комплекта, а также один комплект для соединения комплектов.

Монтаж:

Благодаря большому разнообразию комплектации оборудования предлагается большое разнообразие вариантов монтажа.

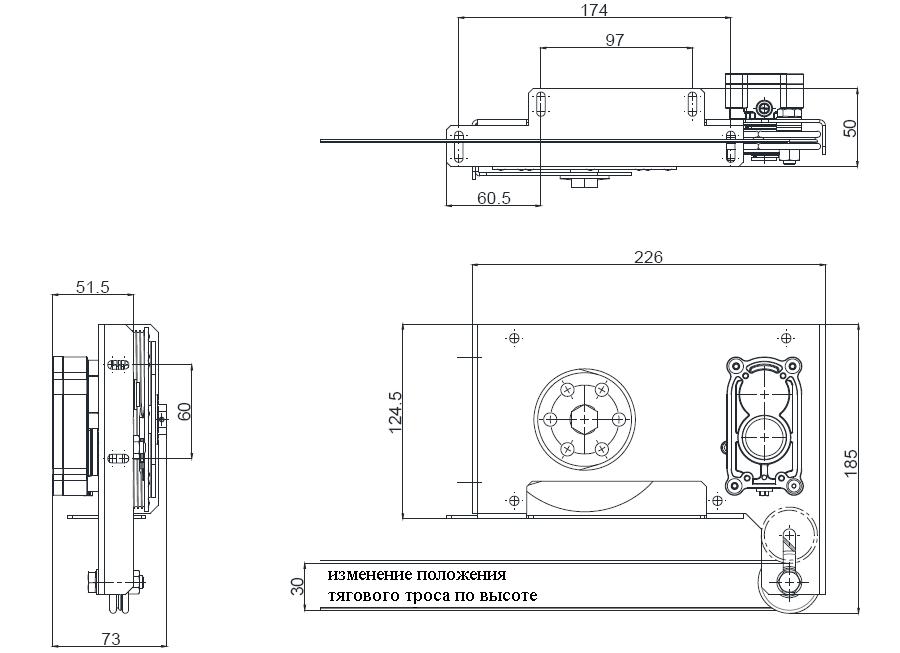
Размеры основных узлов DICTAMAT 50 KW на специальных кронштейнах приведены ниже:

 

ПОДРОБНЕЕ НА САЙТЕ DICTAMAG

 

 

Обращайтесь за консультацией!
Телефон: (495) 783-26-54
E-mail: ipi@landef.ru®

 

HID

Физический доступ

Логический доступ

 

RAPAN

Продукты компании Ландеф



GULI

Доводчики, Замки, Ручки

 

DICTATOR

Решения для распашных дверей

Решения для раздвижных дверей

 

 © 2026, ООО ЛАНДЕФ